水力控制阀系列

复合式排气阀
技术规范:
产品型号:CARX
公称压力:PN1.0~1.6MPa
公称通径:DN20~100mm
适用介质:水、油等非腐蚀性液体
适用温度:0~100℃
主要材质:HT200、SUS 304
试验标准:GB/T13927、API598

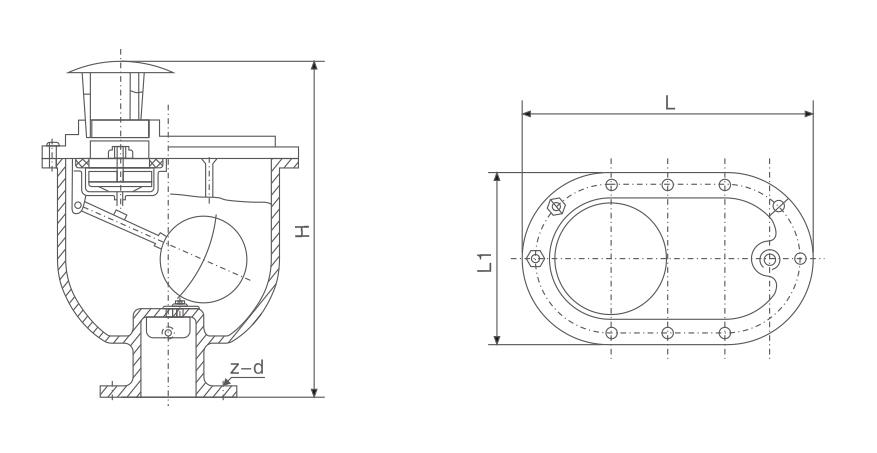
CARX复合式排气阀主要外形及连接尺寸:
| 型 号 |
公称通径 DN(mm) | 尺 寸(mm) | ||||||
| H | L | L1 | D | D1 | D2 | z-φd | ||
|
CARX-1.0 CARX-1.6 | 20 | 375 | 290 | 180 | 105 | 75 | 55 | 4-12 |
| 25 | 375 | 290 | 180 | 115 | 85 | 65 | 4-14 | |
| 50 | 480 | 360 | 205 | 160 | 125 | 100 | 4-14 | |
| 80 | 520 | 405 | 245 | 195 | 160 | 135 | 4-18 | |
| 100 | 530 | 405 | 245 | 215 | 180 | 155 | 4-18 | |
CARX复合式排气阀每小时排气量表:
| 规格DN | 25 | 50 | 80 | 100 | 150 | 200 | 250 | 300 | 350 | 400 |
| 立方米/小时 | 2-88 | 85-352 | 22-904 | 34-1413 | 76-3179 | 135-8831 | 212-8831 | 305-12717 | 415-17309 | 542-22608 |
上一个:Z45X暗杆弹性座封闸阀
下一个:节能消声止回阀