法兰连接阀门系列

J41F-5T黄铜波纹管法兰截止阀
技术规范:
公称压力:1.6MPa
工作介质:水、非腐蚀性液体、饱和蒸汽
工作温度:-20℃≤t≤120℃

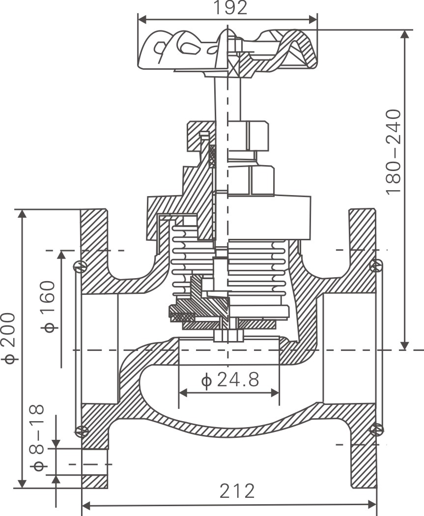
DN(mm) | NPS(in) | L | B | H | D | D1 | n-Φd |
15 | 1/2 | 120 | 15 | 162.5 | 100 | 65 | 4-Φ14 |
20 | 3/4 | 120 | 20 | 174 | 100 | 75 | |
25 | 1 | 140 | 25 | 176 | 100 | 85 | |
32 | 11/4 | 150 | 32 | 215 | 125 | 100 | 4-Φ18 |
| 40 | 11/2 | 155 | 40 | 235 | 140 | 110 | |
| 50 | 2 | 180 | 50 | 250 | 140 | 125 | |
| 65 | 21/2 | 200 | 65 | 300 | 140 | 145 | |
| 80 | 3 | 240 | 80 | 321 | 160 | 160 | 8-Φ18 |
上一个:J314黄铜法兰截止阀
下一个:Q240黄铜法兰球阀