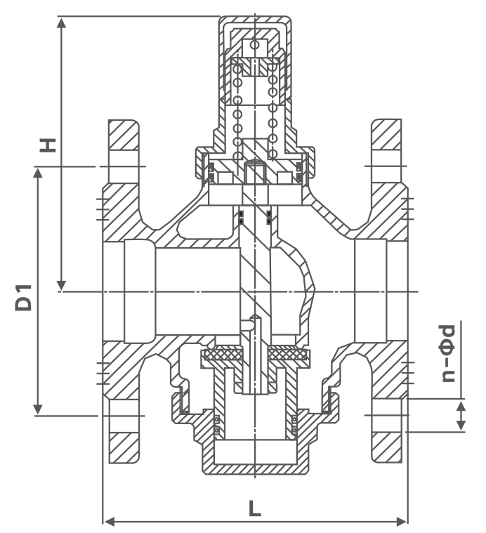
Flanged valve

Brass Pressure-reducing Piston Valve (Y43X-16T)
Technical parameters:
Nominal pressure: PN1.6MPa
Working medium: water
Working temperature: 0℃
adjustment range is 0.1~0.8MPa

| DN | L | H | M | A | |||
| 50 | 144 | 133 | 125 | 4-Φ18 | |||
| 65 | 180 | 177 | 125 | 4-Φ18 | |||