Special for central air conditioning pipeline

IC Card Smart Electric Ball Valve
Technical parameters:
Nominal pressure: PN1.6MPa
Working medium: tap water
Working temperature: 0℃≤t≤90℃
Pipe thread standard: in line with ISO228 standard


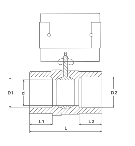
| DN (mm) | L | L1 | L2 | d | D1/D2 | |||||
| 20 | 62 | 13 | 18 | 20 | 24 | |||||
| 25 | 74 | 18 | 20 | 25 | 30 | |||||
| 32 | 84 | 21 | 21 | 30 | 39 | |||||